中央空调温控器厂家
18553441076
网站首页
关于我们
产品展示
公司新闻
行业动态
技术支持
发货需知
联系我们
首页
>
亿凯温控器资讯
消防排烟风机日常清理与维护知识
射流空调机组的阐述
吊顶式空调机组的组成、应用及特
屋顶风机温度偏高怎么办?
如何选择单向流或双向流
全热交换器
暖风机采暖的特点
医院用卧式暗装风机盘管如何选?
净化空调机组春季保养秘诀
风幕机的作用
暖风机的特点
机械式温控器怎么使用?
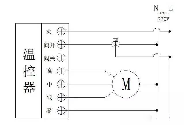
温控器开关接线图及原理是什么呢
中央空调温控器的技术规范
中央空调温控器如何调控。
液晶温控器介绍与操作方式
中央空调温控器的作用及应用
什么是高大空间?高大空间有哪些特
什么是暖风机 ?
单层百叶风口的主要区别和使用场
轴流式消防排烟风机的组成
屋顶风机的安装要点
吊顶式空调机组工作原理:
温控器厂家说明温控器安装中应注
新风控制器应如何使用呢?
中央空调温控器对风机运行控制的
首 页
上一页
51
52
53
54
55
56
57
58
59
60
下一页
末页
产品列表
三速开关
风机盘管液晶温控器
中央空调液晶温控器
新风控制器
风机盘管机组
新风换气机
空调机组
轴流通风机
消防排烟风机
电动防火阀
冷却塔
百叶风口